Main technical parameters
|
Item |
characteristic | |
|
range of working temperature |
-55~+105℃ |
|
|
Rated working voltage |
6.3 - 35V |
|
|
Capacity range |
10 ~ 220uF 120Hz 20℃ |
|
|
Capacity tolerance |
±20% (120Hz 20℃) |
|
|
Loss tangent |
120Hz 20℃ below the value in the standard product list |
|
|
Leakage current※ |
0.2CV or 1000uA, whichever is greater, charge for 2 minutes at rated voltage, 20℃ |
|
|
Equivalent Series Resistance (ESR) |
Below the value in the standard product list 100kHz 20℃ |
|
|
Durability |
At a temperature of 105°C, after applying the rated operating voltage for 2000 hours and placing it at 20°C for 16 hours, the product should meet |
|
|
Electrostatic capacity change rate |
±20% of initial value |
|
|
Equivalent Series Resistance (ESR) |
≤200% of initial specification value |
|
|
Loss tangent |
≤200% of initial specification value |
|
|
Leakage current |
≤Initial specification value |
|
|
High temperature and humidity |
The product should meet the conditions of 60℃ temperature and 90%~95%R.H humidity without applying voltage for 1000 hours, and after being placed at 20℃ for 16 hours, |
|
|
Electrostatic capacity change rate |
±20% of initial value |
|
|
Equivalent Series Resistance (ESR) |
≤200% of initial specification value |
|
|
Loss tangent |
≤200% of initial specification value |
|
|
Leakage current |
≤ initial specification value |
|
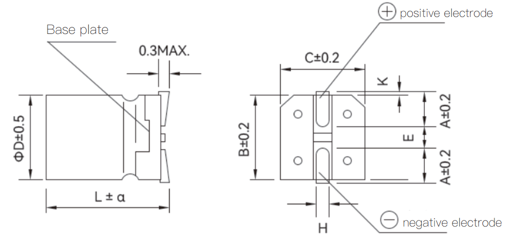
Product Dimensional Drawing


Dimension(mm)
| ΦD | B | C | A | H | E | K | a |
| 6.3x3.95 | 6.6 | 6.6 | 2.6 | 0.90±0.20 | 1.8 | 0.5MAX | ±0.2 |
Ripple Current Frequency Correction Coefficient
■frequency correction factor
| Frequency(Hz) | 120Hz | 1kHz | 10kHz | 100kHz | 500kHz |
| correction factor | 0.05 | 0.30 | 0.70 | 1.00 | 1.00 |
VP4 Series Conductive Polymer Solid Aluminum Electrolytic Capacitors: The Reliable Power Core of Modern Electronic Devices
In today's rapidly developing electronics industry, miniaturization, efficiency, and reliability have become key industry development priorities. Shanghai YMIN Electronics' VP4 Series Conductive Polymer Solid Aluminum Electrolytic Capacitors are innovative products designed to meet this trend, providing a stable and reliable power management solution for a wide range of electronic devices.
Groundbreaking Product Design
The VP4 Series capacitors utilize advanced conductive polymer technology, representing the latest advancements in aluminum electrolytic capacitor technology. Compared to traditional liquid electrolytic capacitors, the VP4 Series offers revolutionary structural improvements, using conductive polymer as the solid electrolyte. This eliminates potential issues with liquid electrolytes, such as leakage, dry-out, and poor high-temperature stability.
One of the most striking features of this series is its ultra-thin design. At only 3.95mm in height, it is one of the thinnest products of its kind on the market. This compact design makes the VP4 Series particularly suitable for space-constrained applications, furthering the possibilities for miniaturization in modern electronic devices. Furthermore, the product utilizes surface mount technology (SMT), is compatible with high-temperature lead-free reflow soldering processes, and fully complies with RoHS environmental directives, meeting the dual environmental and process requirements of modern electronics manufacturing.
Excellent Technical Performance
The VP4 series capacitors offer excellent electrical performance, with a wide operating temperature range (-55°C to +105°C), rated operating voltages from 6.3V to 35V, and a capacitance range from 10μF to 220μF (at 20°C, 120Hz). The capacitance tolerance at room temperature is controlled within ±20%, ensuring consistency and reliability in batch production.
Of particular note is the VP4 series' low equivalent series resistance (ESR), demonstrating extremely low impedance values under 100kHz testing. Low ESR directly benefits the capacitor's performance at high frequencies, effectively reducing power loss and improving overall device efficiency.
Strict Reliability and Durability Testing
To verify the product's long-term reliability, YMIN subjected the VP4 series to rigorous durability testing. After applying the rated working voltage for 2000 hours at 105°C, the product maintains excellent electrical performance: capacitance change does not exceed ±20% of the initial value, ESR does not exceed 200% of the initial specification, loss tangent is also within 200% of the initial specification, and leakage current remains consistently below the initial specification.
High-temperature and high-humidity environmental testing further demonstrates the VP4 series' environmental adaptability. Under the harsh conditions of 60°C and 90%-95% relative humidity, all product parameters remain within specified ranges. This robust environmental tolerance makes the VP4 series particularly suitable for use in harsh operating environments, such as automotive electronics and industrial control.
Wide Applications
The superior properties of the VP4 series conductive polymer solid aluminum electrolytic capacitors make them important in a wide range of applications.
In automotive electronics, VP4 capacitors can withstand extreme temperature fluctuations and vibration shock in the vehicle environment, providing stable power filtering and energy storage for critical systems such as engine control units (ECUs), in-vehicle infotainment systems, and advanced driver assistance systems (ADAS). Its solid-state structure completely eliminates the risk of performance degradation caused by vibration in liquid electrolytic capacitors, significantly improving the reliability of automotive electronic systems.
In AI data servers and communications equipment, VP4's low ESR characteristics are particularly important for handling high current ripple. Modern server power supplies require high current and low noise. VP4 capacitors effectively filter high-frequency noise on power lines, providing clean power to core computing units such as CPUs and GPUs. Its high ripple current handling capability (after optimizing the frequency correction factor) ensures stable operation under high load conditions.
In robotics and drone applications, VP4's ultra-thin design and lightweight features meet the stringent space and weight requirements of these devices. Furthermore, its wide operating temperature range ensures reliability in a wide range of environmental conditions, from the high temperatures of industrial sites to the low temperatures of outdoor applications.
In new energy applications such as solar inverters and energy storage systems, VP4 capacitors provide efficient DC support and noise filtering for power conversion circuits. Its long lifespan perfectly matches the high service life requirements of new energy equipment, reducing system maintenance and overall lifecycle costs.
Advanced Manufacturing Processes and Quality Control
YMIN Electronics implements a rigorous quality control system throughout the production of the VP4 series. From raw material procurement to finished product shipment, every step is meticulously inspected and monitored. Advanced automated production equipment ensures product consistency and reliability, while a comprehensive quality traceability system ensures traceability of each batch.
The company has also established a comprehensive application technical support system, providing customers with comprehensive support from selection guidance to circuit design, helping them fully leverage the performance advantages of the VP4 series and optimize their overall device design.
Future Development Trends and Technological Prospects
With the rapid development of emerging technologies such as 5G, the Internet of Things, and artificial intelligence, the performance requirements of capacitors in electronic devices will continue to increase. The VP4 series conductive polymer solid aluminum electrolytic capacitors represent the technological direction of high reliability, miniaturization, and environmental friendliness—a trend that is aligning with the future development of electronic components.
YMIN Electronics will continue to invest in research and development to further optimize the performance of the VP4 series, expand its application scope, and provide higher-quality products and services to the global electronics manufacturing industry. At the same time, the company will closely monitor industry trends and continuously launch next-generation capacitor products that meet future needs.
Conclusion
The VP4 series conductive polymer solid aluminum electrolytic capacitors, with their superior technical performance, reliable product quality, and wide application adaptability, have become an indispensable key component in modern electronic devices. Whether it's automotive electronic systems that demand ultimate reliability, data servers requiring efficient cooling, or portable devices with space constraints, the VP4 series provides the perfect solution.
Choosing the VP4 series means choosing a commitment to quality, a passion for innovation, and a deep understanding of customer needs.
| Products Code | Temperature(℃) | Rated Voltage(V.DC) | Capacitance(uF) | Diameter(mm) | Height(mm) | Leakage current(uA) | ESR/Impedance [Ωmax] | Life(Hrs) |
| VP4C0390J221MVTM | -55~105 | 6.3 | 220 | 6.3 | 3.95 | 1000 | 0.06 | 2000 |







