Main Technical Parameters
| Item | Characteristic | |
| Operating Temperature Range | -25~+70℃ | |
| Rated Operating Voltage | 2.7V、3.0V | |
| Nominal Capacity Range | 0.1F~7.0F | |
| Room Temperature Capacity Deviation | -10%~+30%(25℃) | |
| High-Temperature Load Life | After continuously applying the rated voltage at the rated temperature for 1000 hours, return to 25℃ for testing; | meet the following requirements: capacity change ΔC < 30% of the initial value, internal resistance < 4 times the initial value |
| Steady-State Humid Heat Life | Under 40℃ and 90%~95%RH, continuously apply the rated voltage for 240 hours, then return to 25℃ for testing; | meet the following requirements: capacity change ΔC < 30% of the initial value, internal resistance < 4 times the initial value |
| Self-discharge Characteristics | After constant current charging to the rated voltage, charge at constant voltage for 8 hours, then let stand with the circuit open for 24 hours. | The residual voltage is greater than 80% of the rated voltage. |
| Cycle Life for Charge and Discharge | At 25℃, use constant current to make the capacitor cycle charge and discharge between 3.8V-2.5V for 50,000 times; | meet the following requirements: capacity change ΔC < 30% of the initial value, internal resistance < 4 times the initial value |
| Optimal Storage Environment | -10℃~40℃, below 60%RH | |
| Reflow soldering requirements | Reflow soldering at 250℃ for less than 5 seconds | |
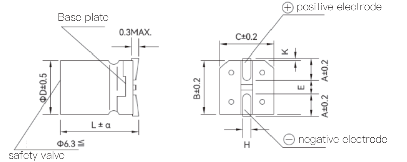
Product Dimensional Drawing

|
①D |
L | B |
C |
A | H |
E |
K | a |
|
5 |
10 | 5.3 |
5.3 |
2.1 | 0.75±0.10 |
1.3 |
0.7MAX | ±0.5 |
|
6.3 |
12 | 6.6 |
6.6 |
2.6 | 0.75±0.10 |
1.8 |
0.7MAX | ±0.5 |
|
8 |
12.5 | 8.3 |
8.3 |
3.0 | 0.90±0.20 |
3.1 |
0.7MAX | ±0.5 |
|
10 |
13 | 10.3 |
10.3 |
3.5 | 0.90±0.20 |
4.6 |
0.7MAX | ±0.5 |
|
10 |
21 | 10.3 |
10.3 |
3.5 | 0.90±0.20 |
4.6 |
0.7MAX | ±0.5 |
|
12.5 |
13.5 | 13 |
13 |
4.7 | 0.90±0.30 |
4.4 |
0.7MAX | ±1.0 |
Double-Layer Supercapacitors: Pioneers of Future Technology – An Analysis of YMIN Electronics' SDV Series High-Performance Products
Driven by the global energy transition and carbon neutrality goals, efficient and environmentally friendly energy storage technologies are becoming a core battleground for technological innovation. As a novel energy storage component situated between traditional capacitors and batteries, double-layer supercapacitors, with their unique physicochemical mechanisms, exhibit significant advantages in power density, charge/discharge efficiency, and cycle life. Shanghai YMIN Electronics Technology Co., Ltd.'s SDV series double-layer supercapacitors, with their superior performance parameters and adaptability to harsh environments, provide revolutionary energy storage solutions for new energy vehicles, industrial automation, smart grids, and other fields.
I. Technological Innovation: Redefining the Boundaries of Energy Storage
1. Core Principles and Structural Advantages
The SDV series double-layer supercapacitors utilize asymmetric double-layer capacitor technology, combining activated carbon electrodes with ionic liquid electrolytes to achieve high-efficiency energy storage through the following mechanisms:
• Electrostatic Adsorption (Double-Layer Effect): Forming a high-density charge layer on the electrode surface, providing a stable operating voltage up to 2.7V;
• Capacitive Reaction (Faraday Process): Rapid redox reactions in the electrode material enhance energy storage capacity, breaking through the capacity limitations of traditional capacitors.
Its modular design supports flexible combination, with unit sizes ranging from 5.3×5.8mm to 21×13.5mm, compatible with SMD surface mount technology, and adaptable to diverse needs from portable devices to industrial systems.
2. Breakthrough Performance Parameters
Core Indicators | Typical Values | Industry Comparison Advantages
Energy Density: 5-10 Wh/kg | 3 times that of traditional capacitors, comparable to lead-acid batteries
Power Density: 5000-10000 W/kg | Supports millisecond-level charge and discharge, leading instantaneous power output capability
Cycle Life: >100,000 cycles | 10-20 times longer than lithium batteries
Operating Temperature Range: -25℃~+70℃ | Extreme environmental stability is 15% better than similar products
Safety Certifications: RoHS/REACH/UL | Unrestricted global market access
Special Process Highlights:
• High-Temperature Soldering Tolerance: Passes 250℃ reflow soldering test, ESR (Equivalent Series Resistance) increase <4 times the initial value;
• Superior Weather Resistance: After 1000 hours of aging at 90% humidity/25℃, capacity retention ≥95%;
• Green and Environmentally Friendly: No heavy metal pollution, can be directly incinerated and recycled after disposal.
II. Vertical Application Scenarios: Empowering Thousands of Industries
1. New Energy Vehicle Sector
• Regenerative Braking Energy Recovery: In hybrid vehicles, the SDV series can capture over 90% of the kinetic energy during braking, with a single charging cycle time of <0.5 seconds;
• Start-Stop System Assistance: Provides instantaneous power compensation for 12V onboard electronic devices, reducing engine load by 30%;
• Fast Charging Pile Support: Supports millisecond-level power adjustment for 350kW supercharging piles, mitigating grid impact.
Typical Case: After a leading automaker installed the SDV3R0V5051314 capacitor, the driving range of its pure electric buses increased by 12%, and the maintenance cycle was extended to 8 years.
2. Industrial Automation and Power Grid
• Inverter Buffering: Suppresses voltage fluctuations and protects IGBT modules from transient voltage surges;
• Microgrid Frequency Regulation: Used in conjunction with lithium batteries to mitigate the intermittent nature of renewable energy generation, offering a response speed 200 times faster than batteries;
• Heavy-Duty Equipment Start-up: Provides peak power for port cranes and mining motors, reducing grid capacity requirements.
Technological Breakthrough: The SDV2R7V7051321 model can still release 85% of its nominal capacity at -40℃, solving the problem of equipment start-up in extremely cold regions.
3. Consumer Electronics and IoT
• Wearable Device Power Management: Extends smartwatch standby time to 72 hours and supports wireless charging;
• Drone Emergency Power Supply: Provides 30 seconds of full-power flight time in emergencies, ensuring safe return;
• Sensor Network Nodes: Self-powered systems combined with vibration energy harvesting enable permanent operation.
Innovative Design: The miniaturized SDV2R7V01040506 capacitor is only 0.7mm thick, meeting the integration requirements of flexible circuit boards.
III. Full Lifecycle Management: The Ultimate Commitment to Reliability
1. Stringent Quality Control System
• Raw Material Selection: Electrode material specific surface area ≥ 2000m²/g, electrolyte ionic conductivity > 10mS/cm;
• Process Automation: Employing laser welding and vacuum liquid injection technology, defect rate < 0.1ppm;
• Reliability Verification: Completing 100% high-temperature aging test, mechanical vibration (IEC 68-2-6 standard), and EMC electromagnetic compatibility certification.
2. Intelligent Operation and Maintenance Solution
• BMS Integration Interface: Supports real-time monitoring of voltage, temperature, and ESR, with an early warning accuracy rate of 99.2%;
• Thermal Management Optimization: 3D thermal simulation model guides heat dissipation design, temperature rise control <5℃/W;
• Recycling and Regeneration Services: Provides harmless treatment of electrolyte and targeted recycling of electrode materials, reducing carbon emissions by 67%.
IV. Market Positioning and Competitive Advantages
1. Benchmarking Against Leading International Brands
Compared to international manufacturers such as Maxwell and Nichicon, the SDV series products have differentiated advantages in cost-effectiveness (30%-50% lower price), customized response speed (4-week mass production and delivery), and localized services (covering 7 major warehousing centers nationwide).
Conclusion
The SDV series double-layer supercapacitors are not only innovators in energy storage but also catalysts for cross-industry technological integration. With its dual characteristics of power and energy, it is reshaping the way energy is used in industry, transportation, and daily life. Choosing YMIN means choosing a sustainable energy solution for the future.
| Series | Rated Voltage (V) | Electrostatic Capacity (F) | Product Dimensions ΦD×L (mm) | ESR (mΩ/20℃, AC 1kHz) | Product Number |
| SDV | 2.7/3.0 | 0.1 | 5×5.8 | 8000 | SDV2R7V1040506/SDV3ROV1040506 |
| 2.7/3.0 | 0.22 | 6.3×5.8 | 8000 | SDV2R7V2240606/SDV3ROV2240606 | |
| 2.7/3.0 | 0.5 | 6.3×10 | 4000 | SDV2R7V5040610/SDV3ROV5040610 | |
| 2.7/3.0 | 1 | 8×10 | 2000 | SDV2R7V1050810/SDV3ROV1050810 | |
| 2.7/3.0 | 1.5 | 8×12.5 | 1500 | SDV2R7V1550813/SDV3ROV1550813 | |
| 2.7/3.0 | 2 | 10×10 | 1000 | SDV2R7V2051010/SDV3ROV2051010 | |
| 2.7/3.0 | 2.5 | 10×14 | 1000 | SDV2R7V2551014/SDV3ROV2551014 | |
| 2.7/3.0 | 3 | 10×16 | 800 | SDV2R7V3051016/SDV3ROV3051016 | |
| 2.7/3.0 | 5 | 12.5×14 | 500 | SDV2R7V5051314/SDV3ROV5051314 | |
| 2.7/3.0 | 7 | 12.5×21 | 300 | SDV2R7V7051321/SDV3ROV7051321 |







