The development and technical challenges of industrial fans
In the industrial fan sector, with the increasing demand for efficient, intelligent, and low-energy-consuming equipment, the limitations of traditional capacitors in harsh environments are becoming more apparent. Particularly in high-temperature and challenging conditions, issues such as long-term instability, inadequate heat dissipation, and frequent load variations restrict further improvement in industrial fan performance. However, YMIN metallized polypropylene film capacitors, with their unique performance advantages, are rapidly becoming a key component in enhancing the performance and reliability of fans.
01 The Core Advantages of YMIN Metallized Polypropylene Film Capacitors in Industrial Fans!
- Long-Term Stability and Reliability: Industrial fans typically require continuous operation, often in harsh environments such as high temperatures, high humidity, dust, or vibration. These conditions make motor systems prone to wear or failure, demanding more robust components. YMIN film capacitors use high-polymer metallized polypropylene film as a dielectric, eliminating issues associated with electrolytes. This allows the capacitors to maintain stable electrical performance during prolonged operation. In contrast, liquid capacitors are susceptible to electrolyte drying, leakage, or aging, leading to failure or reduced performance. YMIN film capacitors effectively minimize downtime caused by capacitor failures, enhancing production efficiency.
- Excellent Temperature Characteristics and High-Temperature Resistance: Industrial fans can generate significant heat during operation, particularly in high-temperature application scenarios. YMIN metallized polypropylene film capacitors exhibit excellent temperature characteristics and can withstand temperatures of up to 105°C or higher. Even under high-temperature conditions, they provide stable capacitance support, ensuring the reliable operation of industrial fans. In comparison, liquid capacitors are prone to electrolyte evaporation or decomposition in high-temperature environments, causing performance degradation or failure. Film capacitors demonstrate superior stability and reliability in such conditions.
- Low ESR and High Ripple Current Handling Capability: During startup and operation, the motors of industrial fans generate ripple currents that can affect the normal functioning of other components. The low ESR (Equivalent Series Resistance) of YMIN metallized polypropylene film capacitors enables them to efficiently handle these ripple currents while minimizing heat generation and energy loss. This not only extends the lifespan of the capacitors but also ensures efficient motor operation, reducing energy consumption and improving the overall performance of the fan system.

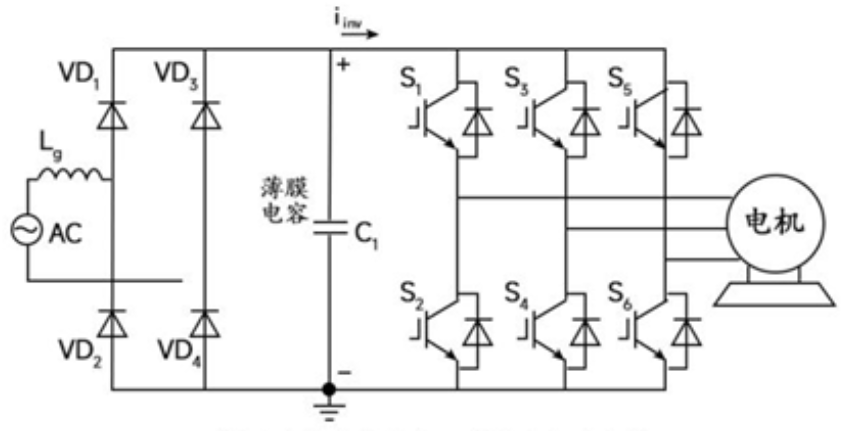
(a) Conventional motor drive main circuit topology

(b) Main circuit topology of electrolytic capacitor-free motor driver
- High-Frequency Response and Rapid Charge-Discharge Capability: During operation, industrial fans may experience frequent load variations. YMIN metallized polypropylene film capacitors, with their excellent high-frequency response and rapid charge-discharge capability, can quickly adjust capacitance to maintain stable bus voltage during load changes, reducing voltage fluctuations. This helps prevent performance degradation or failures caused by voltage instability, which is critical for ensuring the smooth operation of industrial fans.
02 The application advantages of YMIN metallized polypropylene film capacitors in industrial fans
- Cost Advantage: YMIN film capacitors offer a significant long-term cost advantage due to their extended lifespan, high performance, and contribution to the overall stability and reliability of industrial fans. In contrast, liquid capacitors may require frequent replacement, leading to increased maintenance and replacement costs.
- Ripple Current Handling and Energy Storage Capability: Although YMIN film capacitors have a smaller capacitance value compared to traditional capacitors of the same size, they excel in ripple current handling. This allows them to achieve comparable energy storage capabilities in industrial fan applications. Liquid capacitors, on the other hand, often fall short in ripple current resistance, resulting in performance degradation in high-ripple environments.
- Higher Voltage Resistance: In industrial fans, using YMIN film capacitors with higher voltage resistance provides greater voltage margins, enhancing the system’s ability to withstand voltage fluctuations. Additionally, their compatibility with the voltage ratings of fan motors and other components, such as controllers, ensures the safe and stable operation of the entire industrial fan system.
- Eco-Friendly and Non-Toxic: As environmental awareness grows, industrial equipment faces stricter requirements for eco-friendliness. YMIN film capacitors are free from harmful substances like lead and mercury, meeting environmental standards. Their use in industrial fans not only complies with these requirements but also helps enhance the company’s environmentally responsible image.
YMIN Metallized Polypropylene Film Capacitor Recommended Series
| Series | Volt(V) | Capacitance (uF) | Life | Products feature |
| MDP | 500~1200 | 5~190 | 105℃/100000H | High capacity density/low loss/long life large ripple/low inductance/high temperature resistance |
| MDP(X) | 7~240 |
03 Summary
YMIN metallized polypropylene film capacitors offer significant advantages in industrial fans, demonstrating exceptional stability and durability. They effectively address challenges that traditional capacitors cannot overcome, making them an indispensable component in the industrial fan sector.
Leave your message here: http://informat.ymin.com:281/surveyweb/0/l4dkx8sf9ns6eny8f137e
Post time: Nov-21-2024

